| Witamy ! | 
|---|
| 
						
							 | 
					









Rafal B napisał(a):jesteś oczszędny w słowa.









maciar napisał(a):Było pytanie o schemat na pw.
piotr1944 napisał(a):maciar napisał(a):Było pytanie o schemat na pw.
Dziękuję,
To ja pytałem.
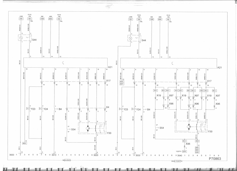
Pojechałem do mechanika bo nie zapinał się przedni napęd. Po włączeniu guzika 4x4 kontrolka migała, czyli normalny objaw, że napęd nie jest zapięty. Można było przełożyć wajchę od reduktora i reduktor się zapiął (oczywiście działał tylko tył).
Po interwencji mechanika (twierdzi, że był problem z właściwym podłączeniem wężyków podciśnienia) fizycznie napędy się zapinają, ale kontrolka cały czas miga (czy zapięty czy rozpięty). Jeszcze nie wiem czy miga wolno czy szybko. Czujnik w moście działa i daje sygnał elektryczny. Mechanik nie wie dlaczego kontrolka miga. Poprosił o schematy.
Ściągnąłem rozdział o zapinaniu przedniego mostu dla Isuzu Rodeo. Do tego ten schemat. Może da radę.
Rozdzielczość pliku jest średnia, ale może coś da radę zobaczyć. Mimo to poproszę o lepszą rozdzielczość. Jeśli nie da rady na forum to na priv.
Piotr.
Frontera Long 2.2 DTI, 2002 r.


Powrót do Układ przeniesienia napędu
Użytkownicy przeglądający ten dział: Brak zidentyfikowanych użytkowników i 1 gość